+86 13316661002
雅顺集团官网

现代风格住宅 YS-QG130

所属:现代风格住宅

融合北美先进轻钢建造技术的绿色装配式高端居住产品,以 G550 冷弯高强度镀铝锌钢龙骨为核心承重骨架,搭配多层复合保温围护结构,工厂预制率超 80%,现场无湿作业快速装配完成。产品支持欧式、新中式、现代简约等全风格外观与独栋 / 联排等全户型定制,结构稳固耐用,兼具抗震抗风、保温隔音、环保舒适等核心优势,是乡村高端自建房、私人庄园、文旅度假别墅的理想选择。

服务热线
+86 13316661002
  • 产品详细

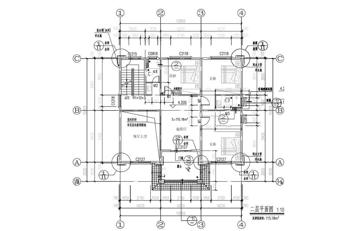
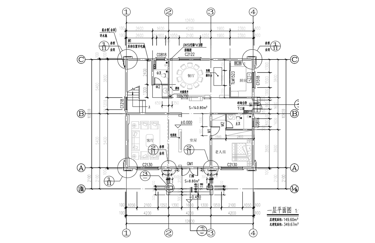
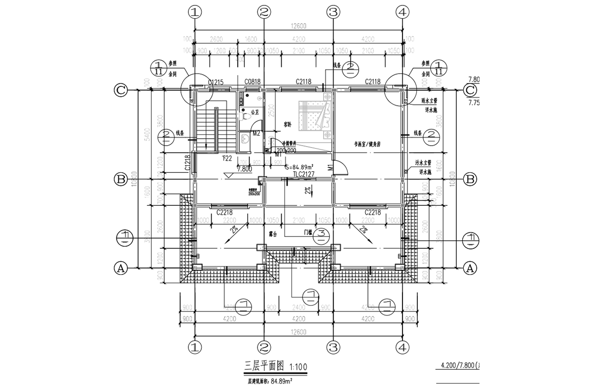
高档轻钢别墅住宅产品信息表

类别项目参数值
基础信息产品名称高档轻钢别墅住宅
产品尺寸按项目需求定制
结构寿命主体框架设计使用年限 50 年以上
安装方式工厂预制化生产,现场安装
主体结构框架冷弯薄壁镀铝锌钢龙骨
墙面复合式保温墙板
屋面防水卷材 + 保温层 + 彩石金属瓦 / 沥青瓦
楼面OSB 结构板 + 轻质隔音层 + 装饰面层
配套门窗定制钢质入户门
铝合金双层中空玻璃窗(带金刚纱窗)
安全性能抗震等级8 级
抗风等级10 - 12 级


核心优势

1. 安全耐用:主体龙骨抗腐蚀、抗老化,可抵御极端天气,墙体隔音达 60 分贝,保障居住安全与静谧;

2. 高效交付:工厂预制模块化构件,现场无湿作业,1-3 个月即可完成主体搭建;

3. 个性定制:从户型布局到外立面材质、建筑风格均可按需设计;

4. 环保舒适:无建筑垃圾,主材可 100% 回收,冬暖夏凉,降低日常能耗;

5. 全域适配:适应全国各气候区与山地、坡地等复杂地形,地基要求低。


适用范围

乡村高端自建房、私人庄园、文旅康养度假别墅、新农村建设精品住宅、城郊轻奢居所。

相关产品

联系方式

+86 13316661002

+86 0769 88514001

微信咨询

技术咨询